U.S. Department of Transportation
Federal Highway Administration
1200 New Jersey Avenue, SE
Washington, DC 20590
202-366-4000
Federal Highway Administration Research and Technology
Coordinating, Developing, and Delivering Highway Transportation Innovations
| TECHBRIEF |
| This techbrief is an archived publication and may contain dated technical, contact, and link information |
| Publication Number: FHWA-HRT-14-083 Date: September 2014 |
Publication Number: FHWA-HRT-14-083 Date: September 2014 |
PDF files can be viewed with the Acrobat® Reader®
FHWA Publications No.: FHWA-HRT-14-083 |
All steel bridge systems and their components need some level of corrosion protection to assure a serviceable life. One of two approaches is typically used: either the bridge component is fabricated from a corrosion-resistant alloy, or the steel is coated for protection. The most common coating practice is use of a multilayered paint system over a zinc-rich primer. Other coating alternatives for corrosion protection are hot-dip zinc galvanization and thermal spray coatings (TSC). Both galvanization and TSCs offer better long-term corrosion protection than zinc-bearing paint systems in severe environments. For this reason, these alternative-coating systems need to be mainstreamed for the protection of steel bridges.
In addition to corrosion resistance, the coating must be compatible with use in high-strength bolted connections. The American Association of State Highway and Transportation Officials (AASHTO) Load and Resistance Factor Design (LRFD) Bridge Design Specifications require bolted connections be designed as "slip-critical" if the connection is subjected to "...stress reversal, heavy impact loads, severe vibration or located where stress and strain due to joint slippage would be detrimental to the serviceability of the structure…"(1) Slip-critical connections rely on the clamping force from the bolts to develop frictional shear stresses as the means to transfer force from one element to the next. This construction is in contrast to bearing connections, in which the individual connection elements bear on the bolt and the force is transferred through shear stresses in the bolt itself. In the design of a slip-critical connection, the engineer must select a "frictional slip coefficient" between the layers of a connection to calculate the slip resistance. AASHTO refers to this frictional value as a "surface condition factor," although in this TechBrief, it will be referred to as the "slip coefficient." The engineer does not specify an exact slip coefficient; rather, the AASHTO LRFD Bridge Design Specifications provide three different categories (Class A, B, and C) from which the engineer can choose.
Class A surfaces have a minimum slip coefficient of 0.33, which can be achieved with unpainted, clean mill scale. Class B surfaces have a minimum slip coefficient of 0.50, which can be achieved with unpainted, blast-cleaned surfaces. In lieu of having bare steel on the slip surface, certified coatings applied over a blast-cleaned surface that demonstrates Class A or B performance may also be used. Class C surfaces also have a minimum slip coefficient of 0.33 but are only applicable for hot-dip galvanized coatings and are outside the scope of this TechBrief.
Coatings applied over blast-cleaned surfaces must be demonstrated through testing to achieve either Class A or B slip resistance and be certified as such. From the perspective of the bridge fabricator, there may be advantages to using slip-certified coatings in the faying surfaces of slip-critical connections. For instance, if the bridge will be painted, then it will have to be blast-cleaned prior to paint application, and primers should be applied shortly after blast-cleaning before the steel can flash rust. If the primer has been certified to provide a certain slip coefficient, then the entire piece can be primed without masking off the areas of the faying surfaces, a time-consuming step that adds cost to the overall fabrication of the bridge. The AASHTO LRFD Bridge Design Specifications say nothing about the use of TSCs on the faying surface. That is not to say they cannot be used, but because they are not directly referenced, there may be an aversion to specifying their use because of their unknown slip resistance.
As shown in figure 1, application of TSCs is analogous to painting, but the spray is droplets of molten metal. At the application gun, wire stock is melted with either a flame or an electric arc, and compressed air sheds the molten pool into a spray of droplets. The droplets are propelled toward the surface, where the molten droplets land on the surface and solidify. Hot-dip galvanizing produces a solid layer of zinc chemically bonded to the steel substrate, but a TSC of zinc leaves a porous layer of zinc that is only adhered to the steel substrate. For this reason, it is critical that TSCs are applied over a blast-cleaned surface with an angular anchor profile so the droplets can interlock with the roughened steel surface. Because the droplets also randomly form over each other, TSCs are inherently porous, and current practice recommends using topcoat sealant to fill the voids and prevent moisture infiltration.

This TechBrief introduces limited data on the slip coefficients developed by both sealed and unsealed TSCs.
The testing of coatings for slip resistance is described by the Research Council of Structural Connections (RCSC) document Specification for Structural Joints Using High-Strength Bolts.(2) In accordance with their specification, two tests are required to certify a coating for either Class A or B slip resistance: a short-term compression test and a long-term tension creep test. The short-term test establishes the slip coefficient. The long-term creep test determines whether the coating will slip over a period of time or reduce the bolt clamping force.
Short-Term Compression Test
The short-term compression test specimen is constructed from three separate plates, all with the same geometry. Each plate is 4 inches square, is ⅝ inch thick, and has a 1-inch-diameter hole drilled on one centerline of the plate but offset 1.5 inches from a plate edge parallel to the other plate centerline. The plates are stacked together so that the holes are aligned, and the middle plate is rotated 180 degrees from the two outer plates. A threaded rod is inserted through the holes and tensioned to 49 kips to represent the clamping force from an A490 bolt. A vertical load is slowly applied at a rate not exceeding either 0.003 inches/min or 25 kips/min until slip occurs between the two plates. The slip load is determined as either the peak load or the load at 0.02 inches of slip. Five replicate specimens are tested, and the mean slip coefficient is reported. The RCSC specification provides additional guidance on loading configuration, instrumentation, and loading protocols. A schematic of the load system used for this effort is shown in figure 2.
Long-Term Creep Test
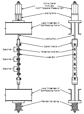
The long-term creep testing uses a bolted chain of three specimens in the series illustrated in figure 3. Because the specimens are bolted in parallel, the plate size is increased to 4 by 7 inches, and each plate has two holes instead of one. The bolts between individual specimens are left loose, and the A490 bolts clamping individual specimens are fully tensioned. The whole chain is then placed under a tensile load. Creep slip displacements for each specimen are monitored manually with a dial gauge magnetically affixed to each specimen.
The tension load applied is in accordance with the RCSC defined service load, based on the assumed slip coefficient factor, using the real bolt pretension. The real bolt tension was the average of three bolts from the lot verified with a bolt-tension calibration device. The slip-critical service load is maintained for 1,000 h, and if the slip exceeds 0.005 inches for any of the three specimens, then the creep test is considered a failure. If it passes 1,000 h with no more than 0.005 inches of slip, then the load is increased to the RCSC factored load and checked to ensure the slip does not exceed 0.015 inches. The RCSC specification provides more detailed guidance for test configuration, instrumentation, and loading protocols.(2)

The study considered two TSC alloy compositions under sealed and unsealed conditions. One alloy was 100-percent zinc, and the other was an 85/15-percent zinc/aluminum alloy; these alloys are the two most common wires used in the industry. The seal coat used in this project was a commercially available epoxy penetrating sealer. Table 1 is an outline of the test matrix.
Table 1. Test. Matrix.
Test Type |
Alloy |
Sealer |
Number of Specimens |
|---|---|---|---|
Short-term |
100-percent Zn |
Yes |
5 |
Short-term |
100-percent Zn |
No |
5 |
Short-term |
85-percent Zn/ |
Yes |
5 |
Short-term |
85-percent Zn/ |
No |
5 |
Long-term |
100-percent Zn |
Yes |
3 |
Long-term |
100-percent Zn |
No |
3 |
Long-term |
85-percent Zn/ |
Yes |
3 |
Long-term |
85-percent Zn/ |
No |
3 |
| Al = aluminum Zn = zinc |
All samples were solvent-cleaned in accordance with the Society for Protective Coatings' (SSPC) SSPC-SP 1 guide, Solvent Cleaning, to remove oils prior to blast cleaning.(3) The faying surfaces on each plate were then blast cleaned to SSPC-SP 5, White Metal Blast, condition with G40 steel grit to a target 3.5- to 4.5-mil surface profile.(4) The plates were visually inspected in accordance with SSPC VIS 1, and the surface profile was verified with replica tape according to ASTM D4417-11.(5,6) The measured profile on the faying surfaces ranged from 3.2 to 3.9 mils.
Separate 4- by 6- by ¼-inch-thick panels were prepared under the same conditions as the slip and creep specimens. These panels were coated along with the specimen that could be subjected to a quality control adhesion test of just the TSC. Three adhesion test panels were prepared for each of the TSC alloys.
An experienced contractor applied the TSC in accordance with SSPC-CS 23.00/AWS C2.23M/NACE No. 12 to all samples on the same day.(7) Typical TSC is 12 mils thick, although RCSC requires an additional 2 mil of thickness for slip evaluation, so the contractor was asked to target a 14-mil thickness. A separate spray unit was used for the two different alloy wires; each machine was operated at 350 amps current. The spray distance varied between 4 and 6 inches. The thickness of the TSC was measured on both sides of each specimen with a calibrated type 2 (electronic) non-destructive dry film thickness (DFT) gauge. Because of the relatively small panel size, two spot measurements were obtained from each panel face. The average TSC thickness for each surface of each specimen is reported in the slip and creep testing results sections.
The specimens with a sealer were sealed on the same day that the TSC was applied. The epoxy penetrating sealer was applied using an airless sprayer fitted to a semi-automated robotic arm to ensure uniform coverage. A wet film target thickness of 2 mils was targeted and verified with a smooth witness panel sprayed at the same time the TSC panels to quantify the volume of sealer applied to the TSC panels. Because this type of sealer penetrates into the porous TSC surface, a DFT of the applied sealer over the TSC cannot be attained. The DFTs reported in the results sections for the sealer are from the witness panels, and those results only give an indication of the volume of sealer that was applied to the TSC, not the actual film thickness of the sealer. The epoxy sealer was allowed to cure for 7 days before testing.
The adhesion tests were conducted in triplicate in accordance with ASTM D4541-09e1 with a type IV (self-aligning, pneumatic) test device.(8) The results of the adhesion testing are reported in table 2. The average adhesion strength of zinc TSC and zinc/aluminum TSC was 1,032 and 1,297 psi, respectively. Table 2 also reports the percentage of adhesive and cohesive failure. Adhesive failures occur between the steel and TSC interface; cohesive failures are confined within the TSC.
Table 2. Adhesion results of TSC.
Panel |
Replicate |
Alloy |
Adhesion (psi) |
Failure Description |
|---|---|---|---|---|
1A |
1 |
Zn |
1,223 |
75-percent adhesion |
1A |
2 |
Zn |
1,039 |
50-percent adhesion |
1A |
3 |
Zn |
999 |
50-percent adhesion |
2A |
1 |
Zn |
1,059 |
75-percent adhesion |
2A |
2 |
Zn |
1,100 |
50-percent adhesion |
2A |
3 |
Zn |
917 |
85-percent adhesion |
3A |
1 |
Zn |
937 |
75-percent adhesion |
3A |
2 |
Zn |
1,018 |
60-percent adhesion |
3A |
3 |
Zn |
999 |
60-percent adhesion |
4A |
1 |
Zn/Al |
1,263 |
100-percent adhesion |
4A |
2 |
Zn/Al |
1,345 |
90-percent adhesion |
4A |
3 |
Zn/Al |
1,406 |
100-percent adhesion |
5A |
1 |
Zn/Al |
1,223 |
100-percent adhesion |
5A |
2 |
Zn/Al |
1,304 |
100-percent adhesion |
5A |
3 |
Zn/Al |
1,223 |
100-percent adhesion |
6A |
1 |
Zn/Al |
1,365 |
100-percent adhesion |
6A |
2 |
Zn/Al |
1,365 |
95-percent adhesion |
6A |
3 |
Zn/Al |
1,182 |
100-percent adhesion |
Al = aluminum |
Table 3 and table 4 report the individual specimen DFTs and results of the short-term slip tests of unsealed and sealed specimens, respectively. The unsealed zinc and zinc/aluminum TSCs had slip coefficients greater than 0.75. In table 3, many of these results are reported with a greater-than symbol because the vertical load was nearing the limits of the load frame and the test was terminated for safety reasons. Regardless, these results far exceed the 0.50 requirement for Class B classification. The higher slip values might be attributed to the interlocking of the rougher TSC surface. A typical faying surface of an unsealed TSC after slip testing is shown in figure 4; an adhesion failure rather than a slip shear failure between the plates is observable.
Results of the slip test for the epoxy-sealed specimens were much lower, at 0.414 for the zinc alloy and 0.439 for the zinc/aluminum alloy. Because the coefficients are less than 0.50 and greater than 0.33, they are classified as Class A. A typical faying surface of a sealed TSC after slip testing is shown in figure 5; a smear failure between the interfaces of the plates is observable. Although both the sealed and unsealed surfaces had a rough texture, it is speculated that the sealer added lubricity to promote slippage.
Table 3. Unsealed specimen DFTs and slip results.
Specimen |
Alloy |
Left Outer Panel |
Middle Plate, Left Face |
Middle Plate, Right Face |
Right Outer Panel |
Slip Coefficient |
|---|---|---|---|---|---|---|
Slip 1 |
Zn |
14.2 |
14.9 |
14.7 |
14.6 |
> 0.857 |
Slip 2 |
Zn |
14.2 |
15.2 |
14.9 |
14.7 |
0.743 |
Slip 3 |
Zn |
15.6 |
14.8 |
14.9 |
14.6 |
0.641 |
Slip 4 |
Zn |
15.1 |
13.5 |
15.0 |
13.9 |
> 0.824 |
Slip 5 |
Zn |
14.3 |
14.1 |
14.2 |
15.0 |
> 0.833 |
Slip 6 |
Zn/Al |
13.9 |
13.1 |
14.5 |
13.9 |
> 0.837 |
Slip 7 |
Zn/Al |
14.5 |
14.5 |
14.2 |
14.0 |
> 0.857 |
Slip 8 |
Zn/Al |
14.4 |
14.5 |
13.5 |
13.9 |
0.702 |
Slip 9 |
Zn/Al |
14.5 |
14.2 |
15.1 |
15.0 |
> 0.865 |
Slip 10 |
Zn/Al |
15.0 |
14.2 |
14.6 |
14.8 |
0.596 |
| Al = aluminum Zn = zinc |
Table 4. Sealed specimen DFTs (TSC + sealer) and slip results.
Specimen |
Alloy |
Left Outer Panel |
Middle Plate, Left Face |
Middle Plate, Right Face |
Right Outer Panel |
Slip Coefficient |
|---|---|---|---|---|---|---|
Slip 11 |
Zn |
16.4 + 1.5 |
14.9 + 1.7 |
15.5 + 1.6 |
14.7 + 1.5 |
0.327 |
Slip 12 |
Zn |
15.1 + 1.9 |
14.7 + 1.7 |
13.8 + 1.6 |
14.1 + 1.4 |
0.339 |
Slip 13 |
Zn |
14.1 + 1.4 |
14.7 + 1.7 |
15.6 + 1.6 |
16.9 + 1.4 |
0.416 |
Slip 14 |
Zn |
16.4 + 1.0 |
15.5 + 1.7 |
15.1 + 1.6 |
16.2 + 1.4 |
0.522 |
Slip 15 |
Zn |
16.4 + 1.0 |
14.9 + 1.9 |
15.1 + 1.5 |
15.3 + 1.0 |
0.465 |
Slip 16 |
Zn/Al |
15.5 + 1.2 |
14.0 + 1.1 |
15.0 + 1.2 |
14.2 + 1.1 |
0.502 |
Slip 17 |
Zn/Al |
|
|
|
|
|
Slip 18 |
Zn/Al |
14.3 + 1.1 |
17.4 + 1.1 |
14.5 + 1.2 |
14.3 + 1.2 |
0.437 |
Slip 19 |
Zn / Al |
16.0 + 1.2 |
14.8 + 1.2 |
14.1 + 1.1 |
14.2 + 1.4 |
0.522 |
Slip 20 |
Zn / Al |
15.1 + 1.4 |
17.7 + 1.2 |
16.3 + 1.1 |
14.9 + 1.4 |
0.294 |
| One test plate coated with sealed zinc was inadvertently used in this specimen, making the test result invalid. Al = aluminum Zn = zinc |
Figure 4. Photo. Typical post-test faying surface of unsealed TSC. |
Figure 5. Photo. Typical post-test faying surface of sealed TSC. |
The individual specimen DFTs and results of the long-term creep tests are shown in table 5 and table 6, respectively, for the unsealed and sealed specimens. For the unsealed specimens, all of the creep displacements were less than 0.005 inches after 1,000 h for each of the alloys. Each of the two chains slipped less than 0.015 inches after 1,000 h when the load was increased to the design slip load. Therefore, both unsealed TSC zinc and zinc/aluminum alloys passed the creep test.
Conversely, the creep results for the sealed specimens were much different. The tension loads on these creep chains were lower because the slip tests exhibited Class A slip performance. Despite the lower tension load, the sealed zinc/aluminum alloy failed upon initial loading to the service load. The sealed zinc alloy passed the 1,000-h test but then exhibited excessive slip displacement when reloaded to the design slip load level. Therefore, both sealed TSC alloys failed the creep test.
Table 5. Unsealed specimen DFTs and creep results.
Specimen |
Alloy |
Left Outer Panel |
Middle Plate, Left Face |
Middle Plate, Right Face |
Right Outer Panel |
1,000-h Creep Displacement |
|---|---|---|---|---|---|---|
Creep 1 |
Zn |
14.6 |
14.0 |
13.8 |
14.6 |
0.0035a |
Creep 2 |
Zn |
14.2 |
14.1 |
14.7 |
14.1 |
0.0036a |
Creep 3 |
Zn |
13.8 |
15.1 |
14.9 |
14.2 |
0.0040a |
Creep 4 |
Zn/Al |
13.5 |
14.0 |
14.4 |
13.4 |
0.0060b,c |
Creep 5 |
Zn/Al |
14.8 |
14.5 |
13.9 |
13.8 |
0.0029c |
Creep 6 |
Zn/Al |
14.2 |
14.3 |
14.7 |
14.5 |
0.0033c |
| aChain of three specimens slipped 0.0040 inches when loading to the design load. bTesting on neighboring chain failed, causing movement. Chain passed final loading, and slip in excess of 0.005 inches is thought to be the result of shock loading from neighboring chain. cChain of three specimens slipped 0.0058 inches when loading to the design load. Al = aluminum Zn = zinc |
Table 6. Sealed specimen DFTs (TSC + sealer) and creep results.
Specimen |
Alloy |
Left Outer Panel |
Middle Plate, |
Middle Plate, Right Face |
Right Outer Panel |
1,000-h Creep Displacement |
|---|---|---|---|---|---|---|
Creep 7 |
Zn |
14.7 + 0.8 |
15.2 + 1.5 |
14.4 + 2.2 |
16.0 + 0.8 |
0.0017a |
Creep 8 |
Zn |
15.6 + 1.4 |
14.9 + 0.9 |
15.8 + 0.9 |
15.4 + 1.7 |
0.0014a |
Creep 9 |
Zn |
15.1 + 1.7 |
15.7 + 1.2 |
14.6 + 1.4 |
14.0 + 0.9 |
0.0039a |
Creep 10 |
Zn/Al |
15.0 + 1.5 |
14.4 + 1.7 |
15.1 + 1.5 |
15.0 + 1.1 |
> 0.25b |
Creep 11 |
Zn/Al |
14.1 + 1.0 |
16.5 + 1.3 |
13.9 + 1.1 |
14.5 + 1.0 |
> 0.25b |
Creep 12 |
Zn/Al |
16.7 + 1.1 |
16.6 + 1.3 |
15.9 + 1.1 |
13.7 + 1.1 |
> 0.25b |
|
aChain of three specimens slipped more than 0.25 inches when loading to the design load. |
Because of their rough textures, unsealed zinc and zinc/aluminum alloy TSCs had no problems passing Class B slip performance requirements in accordance with the RCSC specification. However, once the surface was sealed, neither coating system could meet the RCSC criteria for failing the creep test (despite achieving Class A short-term slip resistance). Until further research can demonstrate slip-critical performance of sealed TSCs, it is recommended that slip-critical faying surfaces be either masked off in fabrication or assembled before application of TSC sealers.
Additional parametric studies should be performed to understand the essential variables that influence the slip and creep performance of TSCs. Because this project demonstrated that the sealer has a dominant influence, researchers should test other sealers or other sealing techniques for compatibility with TSCs to attain Class A or B slip performance.
AASHTO (2012), AASHTO LRFD Bridge Design Specifications, 6th Edition, Washington, DC.
RCSC (2009), Specification for Structural Joints Using High-Strength Bolts—2009 Edition, Chicago, IL.
SSPC (2004), Surface Preparation Specification No. 1, Solvent Cleaning (SSPC–SP 1), Pittsburgh, PA.
SSPC (2007), Joint Surface Preparation Standard—SSPC-SP 5/NACE No. 1—White Metal Blast Cleaning, Pittsburgh, PA.
SSPC (2004), Guide and Reference Photographs for Steel Surfaces Prepared by Dry Abrasive Blast Cleaning—SSPC-VIS 1, Pittsburgh, PA.
ASTM International (2011), ASTM D4417–11—Standard Test Methods for Field Measurement of Surface Profile of Blast Cleaned Steel, West Conshohocken, PA.
SSPC (2003), SSPC–CS 23.00/AWS C2.23M/NACE No. 12 Specification for the Application of Thermal Spray Coatings (Metallizing) of Aluminum, Zinc, and Their Alloys and Composites for the Corrosion Protection of Steel, Pittsburgh, PA.
ASTM International (2011), ASTM Standard D4541–09e1–Standard Test Method for Pull-Off Strength of Coatings Using Portable Adhesion Testers, West Conshohocken, PA.
|
Researchers—This research was conducted by KTA-Tator in Pittsburgh, PA, with the collaboration of Rampart, LLC, funded through contract DTFH61-10-D-00017-T-11002. Distribution—This TechBrief is being distributed according to a standard distribution. Direct distribution is being made to the Divisions and Resource Center. Availability—This TechBrief may be obtained from the FHWA Product Distribution Center by e-mail to report.center@dot.gov, fax to (814) 239-2156, phone to (814) 239-1160, or online at https://www.fhwa.dot.gov/research. Key Words—Thermal spray coatings, metalizing, slip-critical, high strength bolts, steel bridge, connections. Notice—This document is disseminated under the sponsorship of the U.S. Department of Transportation in the interest of information exchange. The U.S. Government assumes no liability for the use of the information contained in this document. The U.S. Government does not endorse products or manufacturers. Trademarks or manufacturers' names appear in this report only because they are considered essential to the objective of the document. Quality Assurance Statement—The Federal Highway Administration (FHWA) provides high-quality information to serve the Government, industry, and public in a manner that promotes public understanding. Standards and policies are used to ensure and maximize the quality, objectivity, utility, and integrity of its information. FHWA periodically reviews quality issues and adjusts its programs and processes to ensure continuous quality improvement. |